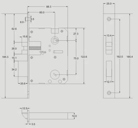
Double bolt mortise door lock body
This is a double bolts mortise door lock body which can be applicated for rotating door locks, such as: wooden doors, steel doors, etc.Adopt standard European gourd lock head; dead bolt has the function of reversing.
In current home decoration, many people has used intelligent smart anti-theft door. No matter what kind of door it has a lock body and lock cylinder. For the lock body there are standard lock body and the overlord lock body, you can choose proper lock body to fit your room door.
Door Lock body:
one of the components of a lock. There are many kinds of lock bodies, common ones are one-way lock body, three-way lock body, four-way lock body, etc.
The difference between the big size door lock body and the standard door lock body
1.appearance size and function difference: the standard lock body edge size is 240mm, high adaptability, while the overlord lock body edge size is 388mm, and also add two hook lock tongue, poor adaptability.

2.Price distinction: The price of overlord lock body can be more expensive than standard lock body, and when matching overlord lock body, manufacturer of mostly intelligent lock needs additional charge.
Classification of door locks Cylinder
Lock Cylinder: the main part that controls the opening of the lock. It is the heart of the lock and refers to the core part that is matched with the key and can turn and drive the movement of the lock.
Lock core have following types:
1.European style door lock cylinder
The lock cylinder size can be customized according to the thickness of the door. The length of the lock core is 40mm-160mm
2.American screw-thread door lock Cylinder
American style lock cylinder applicated for High-end door locks ,Good quality, high safety but less use.
3.Fire-proof door lock cylinder
Anti-Fire lock cylinder used for fire door lock. It can withstand temperatures of 975 degrees 90. It is a special lock core enforced by the state. The general specification is 30 mm x32 mm.
Finally let’s have a look at the door lock production video of MAILON HARDWARE

