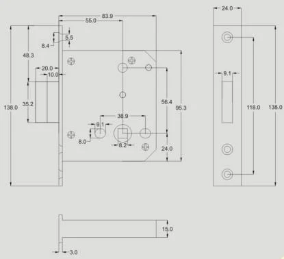
cilindro de encaixe de parafuso único morto corpo da fechadura da porta
Trata-se de uma fechadura de porta de cilindro de aço electro-galvanizado SECC com um único parafuso morto que pode ser aplicado para fechaduras de portas rotativas, tais como: portas de madeira, portas de aço, etc. Adopta uma cabeça de fechadura de cabaça padrão europeia; o parafuso morto tem a função de inversão.

Na decoração actual da casa, muitas pessoas têm usado portas inteligentes anti-roubo. Não importa que tipo de porta tem um corpo de fechadura e um cilindro de fechadura. Para o corpo da fechadura existem o corpo padrão da fechadura e o corpo da fechadura de overlord, pode escolher o corpo adequado para caber na porta do seu quarto.
Corpo da fechadura da porta:
um dos componentes de uma fechadura. Há muitos tipos de corpos de eclusas, os mais comuns são corpos de eclusas de uma só via, corpos de eclusas de três vias, corpos de eclusas de quatro vias, etc.
A diferença entre o corpo da fechadura de porta de grandes dimensões e corpo padrão da fechadura de porta
1.tamanho da aparência e diferença de função: o tamanho padrão do bordo do corpo da fechadura é de 240mm, alta adaptabilidade, enquanto que o tamanho do bordo do corpo da fechadura é de 388mm, e também acrescenta duas linguetas de fechadura de gancho, fraca adaptabilidade.

2) Distinção de preços: O preço de overlord corpo do cadeado pode ser mais caro do que o corpo da fechadura normal, e quando se combina com o corpo da fechadura de um super senhor, o fabricante da fechadura maioritariamente inteligente necessita de um encargo adicional.
Classificação de fechadura da porta Cilindro
Cilindro de fechadura: a parte principal que controla a abertura da fechadura. É o coração da fechadura e refere-se à parte central que é combinada com a chave e que pode girar e conduzir o movimento da fechadura.
O núcleo de fechadura tem os seguintes tipos:
1.cilindro de fechadura de porta em estilo europeu
O tamanho do cilindro da fechadura pode ser personalizado de acordo com a espessura da porta. O comprimento do núcleo da fechadura é de 40mm-160mm
2.American screw-thread door lock Cylinder
Cilindro de fechadura de estilo americano aplicado para fechaduras de porta de gama alta, boa qualidade, alta segurança mas menos utilização.
3.cilindro de fechadura de porta à prova de fogo
Cilindro da fechadura anti-fogo utilizado para a fechadura da porta corta-fogo. Pode resistir a temperaturas de 975 graus 90. É um núcleo de fechadura especial imposto pelo Estado. A especificação geral é de 30 mm x32 mm.
Vídeo de produção de corpos de fechaduras de portas

